Toyota Corolla E120 2006 г. - замена тормозных колодок
Время создания: 20.06.2025 16:27
Текстовые метки: Toyota, Corolla, e120, тормозная, колодка, суппорт, замена, диск, ремонт, part, number, partnumber, партномер, парт, номер, деталь
Раздел: Автомобиль - Toyota Corolla
Запись: xintrea/mytetra_syncro/master/base/1750426024l6d2o4tqqa/text.html на raw.githubusercontent.com
|
При замене элементов тормозной системы полезно знать их состав и парт-номера.
Дисковый тормозной механизм

|
№ |
Номер детали |
Наименование |
|
|
43501C |
4 3502-02021 |
Ступица колеса (HUB SUB-ASSY, FRONT AXLE, RH) |
|
|
43501D |
9 0942-02049 |
BOLT, HUB (FOR FRONT AXLE RH) |
|
|
43501E |
9 0080-36087 |
BEARING (FOR FRONT AXLE HUB RH) |
|
|
43501G |
9 0521-79002 |
Подшипник ступицы колеса (RING, HOLE SNAP (FOR FRONT AXLE HUB RH)) |
|
|
43501H |
9 0177-22001 |
NUT (FOR FRONT AXLE SHAFT RH) |
|
|
43502C |
4 3502-02021 |
Ступица колеса (HUB SUB-ASSY, FRONT AXLE, LH) |
|
|
43502D |
9 0942-02049 |
BOLT, HUB (FOR FRONT AXLE LH) |
|
|
43502E |
9 0080-36087 |
BEARING (FOR FRONT AXLE HUB LH) |
|
|
43502G |
9 0521-79002 |
Подшипник ступицы колеса (RING, HOLE SNAP (FOR FRONT AXLE HUB LH)) |
|
|
43502H |
9 0177-22001 |
NUT (FOR FRONT AXLE SHAFT LH) |
|
|
43512 |
4 3512-02070 |
Диск тормозной (DISC, FRONT) |
|
Передний тормоз

|
№ |
Номер детали |
Наименование |
|
|
04465 |
0 4465-02130 |
Колодки тормозные дисковые (PAD KIT, DISC BRAKE, FRONT) |
|
|
04479 |
0 4479-02080 |
Суппорт тормозной (ремкомплект) (CYLINDER KIT, DISC BRAKE, FRONT) |
|
|
04945 |
0 4945-02070 |
Пластина противоскрипная дисковых тормозных колодок (SHIM KIT, ANTI SQUEAL, FRONT) |
|
|
04947 |
0 4947-02050 |
Фиксатор дисковых тормозных колодок (FITTING KIT, DISC BRAKE, FRONT) |
|
|
04952 |
0 4952-02030 |
PIN KIT, FRONT DISC BRAKE CYLINDER SLIDE |
|
|
04952 |
0 4952-02230 |
PIN KIT, FRONT DISC BRAKE CYLINDER SLIDE |
|
|
04953 |
0 4953-02030 |
BOOT KIT, FRONT DISC BRAKE CYLINDER SLIDE PIN |
|
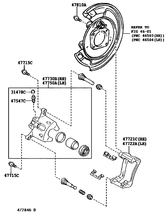
Задний тормоз


|
№ |
Номер детали |
Наименование |
|
|
04466 |
0 4466-02070 |
Колодки тормозные дисковые (PAD KIT, DISC BRAKE, REAR) |
|
|
04479A |
0 4479-02090 |
Суппорт тормозной (ремкомплект) (CYLINDER KIT, DISC BRAKE, REAR) |
|
|
04948 |
0 4948-02030 |
FITTING KIT, DISC BRAKE, REAR |
|
|
04952A |
0 4956-09020 |
PIN KIT, REAR DISC BRAKE CYLINDER SLIDE |
|
|
04953A |
0 4953-02020 |
BOOT KIT, REAR DISC BRAKE CYLINDER SLIDE PIN |
|
|
31478C |
4 7548-02010 |
CAP, BLEEDER PLUG(FOR REAR DISC BRAKE) |
|
|
47547C |
4 7547-05011 |
Штуцер прокачки (PLUG, BLEEDER(FOR REAR DISC BRAKE)) |
|
|
47547C |
4 7547-05012 |
PLUG, BLEEDER(FOR REAR DISC BRAKE) |
|
|
47715C |
4 7715-02090 |
Втулка направляющая тормозного суппорта (PIN, CYLINDER SLIDE(FOR REAR DISC BRAKE)) |
|
|
47715C |
4 7715-02091 |
PIN, CYLINDER SLIDE(FOR REAR DISC BRAKE) |
|
|
47721C |
4 7721-02110 |
MOUNTING, REAR DISC BRAKE CYLINDER, RH |
|
|
47721C |
4 7721-02111 |
MOUNTING, REAR DISC BRAKE CYLINDER, RH |
|
|
47722A |
4 7722-02110 |
Скоба тормозного суппорта (MOUNTING, REAR DISC BRAKE CYLINDER, LH) |
|
|
47722A |
4 7722-02111 |
Скоба тормозного суппорта (MOUNTING, REAR DISC BRAKE CYLINDER, LH) |
|
|
47730B |
4 7730-02110 |
CYLINDER ASSY, REAR DISC BRAKE, RH |
|
|
47730B |
4 7730-02111 |
CYLINDER ASSY, REAR DISC BRAKE, RH |
|
|
47750A |
4 7750-02110 |
CYLINDER ASSY, DISC BRAKE, REAR LH |
|
|
47750A |
4 7750-02111 |
CYLINDER ASSY, DISC BRAKE, REAR LH |
|
|
47810A |
9 0105-10263 |
BOLT, HEXAGON(FOR REAR CALIPER) |
|
|